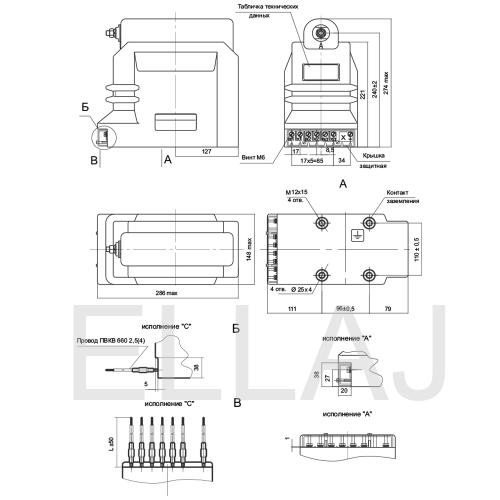
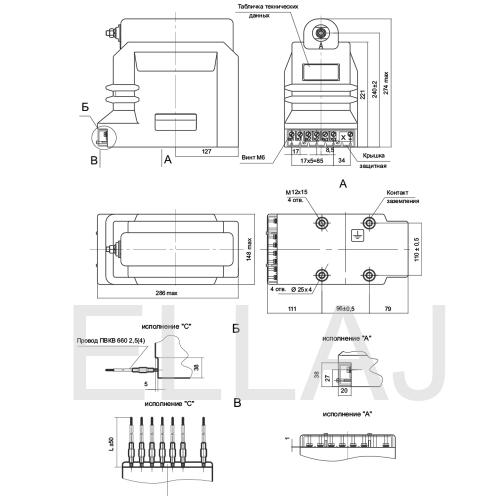
Трансформатор напряжения ЗНОЛП-НТЗ-6-6000/V3 100/ V3 100/3-0,5/3-50/100

Артикул:
ZNOLP-NTZ-6-6000-3-100-3-50-100
Производитель:
ООО «НТЗ "Волхов»
Трансформаторы напряжения ЗНОЛ-НТЗ-10(6) и ЗНОЛП-НТЗ-10(6) предназначены для установки в комплектные распределительные устройства (КРУ) внутренней и наружной установки, а также камеры одностороннего обслуживания (КСО), и являются комплектующим изделием. Трансформаторы выполнены с одним заземленным выводом обмотки ВН и рассчитаны на фазное напряжение.
Наличие: В наличии
30 265,00 руб.

Общее описание

Трансформаторы обеспечивают питание приборов учета электроэнергии, контрольно-измерительной аппаратуры, релейных (микропроцессорных) защит, автоматики и используются, когда требуется измерение фазных напряжений и контроль изоляции сети 6 или 10 кВ.

Трансформаторы изготавливаются в климатических исполнениях «УХЛ» и «Т», категории размещения «2» по ГОСТ 15150-69.

Рабочее положение трансформатора в пространстве – любое.

Характеристики

Общие характеристики

Марка ЗНОЛП
Класс напряжения 6 кВ
Наибольшее рабочее напряжение 7,2 кВ
Номинальное напряжение первичной обмотки 6/√3 ; 6,3/√3 ; 6,6/√3 ; 6,9/√3 В
Номинальная мощность основной вторичной обмотки, В∙А в классах точности 0,2 10..30
Номинальная мощность основной вторичной обмотки, В∙А в классах точности 0,5 20..100
Номинальная мощность основной вторичной обмотки, В∙А в классах точности 1,0 50..200
Номинальная мощность основной вторичной обмотки, В∙А в классах точности 3,0 150..300
Номинальная частота 50 или 60 Гц
Предельная мощность трансформатора вне класса точности 400 или 630 ВА
Класс точности дополнительной вторичной обмотки 3, 3Р
Номинальное напряжение основной вторичной обмотки 100/√3 В
Номинальное напряжение дополнительной вторичной обмотки 100/3, 100 В
Номинальная мощность дополнительной вторичной обмотки 100, 200 В∙А

Сертификат

К этому товару пока нет комментариев.
Ваш комментарий будет первым!

Ваш комментарий

Все поля обязательны для заполнения.

Похожие товары

Интересуют оптовые закупки?

Просто опишите, что Вам нужно, и мы вышлем Вам коммерческое предложение!

0.68234205245972 (0.092622995376587)